- Basic knowledge of constant pressure water supply system.
1.1.The basic structure and principle of water supply system

Above is a simple water supply system, the water pump draws the low water into high pool or other pool by pressure, shows water supply pressure through pressure gauge, if the system water pressure exceeds or less than the preset pressure, it will be adjusted by manually adjusting the outlet valve, to meet users requirements. The actual speed of the pump motor is constant when adjusting the water pressure by opening the valve.
1.2. The main parameters of water supply system.
1.2.1 Quantity of flow(Q): The amount of water flow through the pipe section per unit time, is proportional to the pump speed under the same pipe section. Q∝N
1.2.2 Pump head(H):The height of pump head, is proportional to the square of the pump speed. H∝N²
1.2.3 Actual head: In the water supply system, the water level difference between the highest water level and the lowest water level is the actual head.
1.2.4 Total head: Rated water supply capacity of pump.
1.2.5 Loss head: The difference between total head and actual head.
1.2.6 Resistance of valves and piping system on water flow.
1.3. Analysis on the disadvantages of traditional water supply system
1.3.1 The initial design of the water pump is in accordance with the system’s maximum demand and leaving a margin, while the actual water supply is relatively small. In the traditional method, the water flow and pressure is adjusted by adjusting the outlet valve, no matter the valve in “turn up”or “turn down”position, the pump motor is always running at full speed, energy loss is great at this moment.
1.3.2 Users’ water demand is changing at any time, which required staffs to adjust the valve at any time, is extremely inconvenient especially in the night.
1.3.3 When frequency starting, pump motor accelerates from quiescent state to the rated speed in a very short time, which will create huge impact current. Besides, huge changes of water flow in a short time will cause the pressure impact of pipelines too high or too low. The pressure impact will cause great damage to the pipeline, which is called “water hammer effect”. If pressure is too high, pipelines will be broken, if pressure is too low, pipelines will be collapsed, besides, and water hammer effect also will damage valves and other fixed components.
1.3.4 Frequency running motor, direct start or stop will drastically increase or decrease the water supply of entire system, cause instability.
- Variable frequency water supply system under constant pressure
To meet user’s water demand, variable frequency constant pressure water supply system achieves stepless speed change through the water pump, according to the changes of water flow and water pressure, also operate the internal PID of inverter, automatically adjusting the pump speed to keeps constant water pressure.
2.1. Composition and working principle of water supply system under constant pressure

Variable frequency constant pressure water supply system consists of invert, PID controller, pressure sensor, with the continuous development of inverter technology, the inverter has more and more integrated functions, most of brand inverter is with built-in PID function.
The system automatically adjusts the speed of water pump by constant comparison between preset PID value with pressure sensor feedback value. When the water demand is large, water pressure drops, pump speed increases; when the water demand is small, water pressure rises, pump speed drops; when the water pressure is constant, pump keeps current speed, and system operates stably.
“Wake up”function: When there is completely no water demand for a period of time, the inverter frequency becomes lower and lower as the water pressure increases, when the frequency is lower than “sleep frequency” and continues for some time, the inverter will stop running and the system is in “sleep”mode. As the users starts to use water, the pipeline pressure of “sleep”mode system continuously drops, when the pressure is lower than preset value, the inverter preset frequency will continuously increases; when the frequency is higher than “wake-up frequency”and continues for some time, the inverter restarts again and system is wakened.\
2.2 Advantages of variable frequency constant pressure water supply.
2.2.1 When system works, the pump speed changes as the pipeline pressure changed, which improves work efficiency and avoids unnecessary energy loss.
2.2.2 The system, which can be started and stopped gently, with small impact current, also can eliminate the influence of “water hammer effect” to the greatest extent.
2.2.3 Simple debugging, easy maintenance
- Application of G1 series inverter to water supply system under constant pressure
In a construction site of Tianjin, customer uses a 4.0kW deep-well pump to supply water to each floor, with the floor built higher and higher, the workers have to adjust the outlet valve frequently. Since the outlet valve is far away from the pump control room, when there’s no water demand, the workers only close the valve, while keeping the motor working at full speed. The pump overheats seriously as motor is no-load running for a long time, has caused motor burned for two times. We set below solution according to the problems reflected by customer:

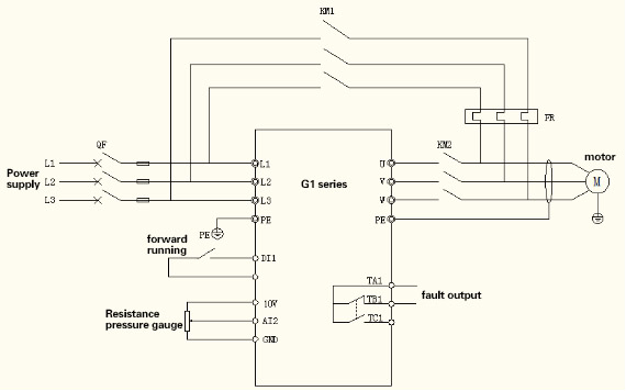
3.1 According to the control requirement of system water supply, choose our G1-4T0055 general vector inverter, with unique PID algorithm and “wake-up” function, meets customer’s requirements of rapid and stable water supply system.
3.2 To ensure the system operates continuously and steadily, the main circuit has frequency and variable frequency switch circuit, easy for maintenance and repair.
3.3 Choose the resistance pressure gauge, through the input terminal AI2 (0-10V) of inverter as the pressure feedback channel.
Parameter setting:
| Function parameters | Setting value | Comments |
| P00.00 | 0 | V/F control |
| P00.01 | 1 | External terminal start/stop |
| P00.02 | 6 | Frequency source select PID |
| P10.01 | 40.0 | PID Set value |
| P10.02 | 1 | PID feedback channel AI2 |
| P10.05 | 40.0 | PID proportional coefficient |
| P10.06 | 1.0 | PID integral constant |
| P10.28 | 1 | PID operation during shutdown |
| P10.28 | 20.00 | Wakeup frequency |
| P10.29 | 5.0 | Wakeup waiting time |
| P10.30 | 15.00 | Sleep frequency |
| P10.31 | 5.0 | Sleep waiting time |
Operate results:
1. Obvious effect of power saving: Constant pressure on site is 4kg, frequency is about 45Hz, preliminary calculation of energy-saving rate is more than 20%.
2. Rapid pressure regulation, system stability is good.
3. Small impact current, completely protect functions: Good performance on ground protection and interphase short circuit according to the application characteristics of deep well pump. Maximum current is only 8A during the starting process, small impact, improve the service life of equipment.
4. Unique “wake up” function, ensure that automatic sleep when no water demand, avoid overheating damage to the pump.
4. Conclusion
Compared with traditional water supply system, variable frequency water supply system under constant pressure is with strong reliability, high efficiency, remarkable energy saving effect, rapid dynamic response; and with automatic constant pressure control mode, no need workers operate frequently, therefore saves manpower, improves the quality of water supply, which is widely used.


